茄子视频在线,茄子视频在线免费观看,茄子视频下载APP,茄子视频黄色网站

    歡迎光臨 【 無錫市英福特熱能裝備有限公司 】 官方網站!

    谘詢熱線:13706185529

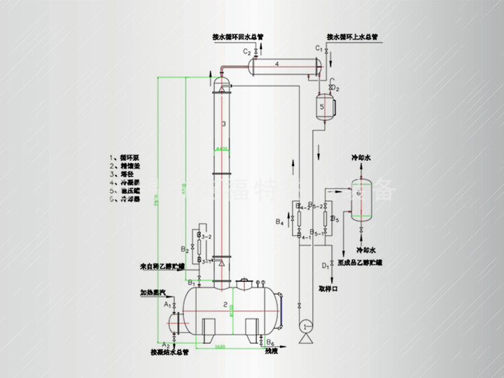
    酒精回收塔


    產品特點

           本設備塔內填料采用不鏽鋼金屬填料,蒸餾塔塔體采用 SUS304 製造,防止鐵屑堵住填料的現象,延長了設備的使用期限。本設備與酒精接觸部分均采用 SUS304 材質,以保證成品酒精不被汙染。蒸餾采用可拆式 U 型加熱器,在檢修時可將加熱器拉出釜外,便於對蒸餾釜及加熱管清洗。本設備可間隔生產,也可半連續、連續生產。

    產品概述

           酒精回收塔由塔釜、塔身、冷凝器、冷卻器、緩衝罐、高位貯罐六個部分組成,可用於製藥、食品、化工等行業的稀酒精回收,本設備與物料部分均采用 0CR18NI9 不鏽鋼製造,具有良好的耐腐蝕性能,經久耐用。酒精回收塔適用於製藥,食品,輕工、化工等行業的稀酒精回收。也適用於甲醇等其他溶煤產品的蒸餾。
           酒精回收塔工作原理利用酒精沸點低於不及其它溶液沸點的原理,用稍高於酒精沸點的溫度,將需回收的稀酒精溶液進行加熱揮發,經增體精鎦後,析出純酒精氣體,提高酒精溶液的濃度,達到回收酒精的目的。

    技術參數

    標準要求 JH200 JH300 JH400 JH500 JH600 JH800
    塔容積(L) 640 1220 1450 2300 2500 3200
    塔身高度(mm) 8000 10000 12000 15000 15000 15000
    高位罐容積(L) 300 400 650 800 1000 1500
    冷凝麵積(m2) 5 9 11 18 25 45
    冷卻麵積(m2) 1 1.5 2.2 4 6 8
    換熱麵積(m2) 3.0 6 6.5 10 15 26
    回收能力(kg/h) 45-50 90-100 150-160 280-300 420-440 600-620
    設備重量(kg) 1100 1900 2300 3800 4500 6800
    外形尺寸(長×寬×高)(mm) 2300×700
    ×9300
    2600×800
    ×12500
    2500×1000
    ×15000
    3000×1200
    ×18000
    3500×1400
    ×18000
    4200×1800
    ×18000
    回收濃度(%) >90
    填料形式 陶瓷波紋或不鏽鋼波紋填料


    上一篇:F型動態提取罐
    下一篇:乙醇精餾塔
    網站地圖